Что такое электропастух?
Электроизгородьзащищает пасущихся животных от посягательств извне и ограничивает их перемещение за пределы конструкции, благодаря чему окрестность тоже будет в безопасности.

Устройство представляет собой генератор, передающий ток по проводу. Достаточное напряжение отпугивает крупный рогатый скот от ограждения. В то же время дикие звери не смогут напасть на овцу или корову.
Сегодня многие фермеры ищут удобные и экономичные способы выпаса овец. Раньше для присмотра за скотом использовали пастухов. Они отвечали за сохранность стада во время нахождения на пастбище. Сейчас этот способ окончательно не забыт, многие ещё пользуются услугами чабана, но существует и альтернатива пастуху-человеку – это электропастух.
Это приспособление состоит из:
- проволоки или бечёвки;
- опорных столбиков, высота которых не превышает одного метра;
- элемента питания (аккумулятора, генератора, солнечной батареи).

Металлические или деревянные опоры вкапывают в землю, к ним крепится изгородь. Чаще всего она состоит из трёх поперечных линий проволоки, между которыми соблюдается определённое расстояние. Иногда ограждение сделано в виде сетки.
Производители комплектуют устройство электросеткой разного размера, что позволяет огородить как небольшое место для выпаса, так и огромную территорию пастбища в несколько гектаров. Конструкцию легко демонтировать и перенести на другое место.
Внимание! Электропастух может использоваться в качестве временного загона для овец, пока в овчарне проводятся ремонтные работы или санитарная обработка.
Схема генератора для электропастуха

Плюсы и минусы электропастуха
Фермеры, использующие в своем хозяйстве такое устройство, отзываются о нем положительно. Однако они все равно выделяют такие недостатки:
- Животные, обладающие густой шерстью, могут попросту не чувствовать электрических импульсов. В таких случаях они даже могут порвать ограждение и все равно выбраться за его периметр.
- На дальних пастбищах возникает проблема с источником электропитания.
- Вдоль ограждения необходимо периодически скашивать траву, чтобы она не привлекала животных.
- Трудоемкий ремонт, когда устройство оснащено электродами в виде ленты.

Рассмотрим достоинства электропастуха:
- Если все правильно обустроено, животные не могут покинуть пределы пастбища.
- На территорию не проникнут хищные животные, что особенно важно на пастбищах, расположенных в лесу или поблизости от него.
- Электрической изгородью можно обнести любой опасный участок, куда не должны иметь доступ животные: овраг, канаву, котлован с водой.
- Конструкция легка в эксплуатации, к тому же можно сделать ее самостоятельно.
- При прикосновении к изгороди у животного вырабатывается стойкий рефлекс.
- Выпас будет осуществляться без участия человека, стоимость устройства примерно идентична той сумме, которую нужно заплатить пастуху всего лишь за месяц выпаса. Поэтому сразу видна экономия.
- Электропастух может работать при температуре от+40 до -40 градусов.
- Размер участка, который может охватить прибор, составляет до 475 км.
- И для животных, и для людей устройство абсолютно безопасно.
Принцип работы аппарата
Работа электропастуха основана на поведенческих рефлексах овец. Это крайне мирные и одновременно пугливые животные. Им достаточно услышать шум или увидеть хищного зверя, чтобы разбежаться во все стороны. Чтобы отара не разбрелась по окрестностям, устанавливают электропастуха.

Эффект изгороди достигается за счёт слабых ударов тока, которые получают животные при попытках покинуть ограждённую территорию. Получив несколько ударов, овцы быстро догадываются — не нужно приближаться к опасному периметру.
Электропастух решает такие цели:
- удерживает стадо на заданном участке без помощи пастуха;
- защищает овец от посягательств диких хищников — ударяет током не только тех, кто находится внутри загона, но и тех, кто приближается к нему снаружи;
- сохраняет численность стада — предотвращает потерю особей.
В основе генератора стоит уже готовый высоковольтный трансформатор, его роль может выполнять катушка зажигания взятая из легкового авто.

Катушка зажигания представляет собой трансформатор с низкоомной первичной и высокоомной вторичной катушками. Когда происходит пульсация тока в первичке на вторичке образуются импульсы высокого напряжения.
В автомобиле они идут на свечи зажигания, а в этой схеме — на электроизгородь.
Для работы схемы на первичку надо подать импульсное напряжения, которое состоит из прерывающихся пачек импульсов звуковой частоты, они повторяются через определённый период времени. Схема для воссоздания этих импульсов выполнена на трёх интегральных таймерах марки NE555.

На основе таймеров А1 и АЗ изготовлены генераторы инфразвуковых и звуковых колебаний, соответственно. На базе таймера А2 — одновибратор
Ток на первичку катушки зажигания Т1 идёт через ключ на полевом транзисторе VT 1. Для того чтобы во вторичке Т1 образовалось высокое напряжение нужно, чтобы в первичке ток пульсировал.
На основе таймера АЗ изготовлен генератор звуковых импульсов. Когда он работает импульсы звуковой частоты с его выхода (вывод 3) идут на затвор транзистора.
В результате на первичке Т1 образовывается пульсирующий ток, он индуцирует высокое переменное напряжение на вторичке.
Управление генератором звуковых импульсов осуществляется уровнем на выводе 4 АЗ. Для того чтобы генератор работал на этом выводе нужно напряжение логической единицы. При логическом нуле генератор блокируется и на его выходе установлен логический ноль.
На базе таймера А1 сделан инфразвуковой генератор, он генерирует импульсы. Частоту этих импульсов можете настраивать при помощи переменного резистора R1. От этого генератора зависит периодичность подачи высоковольтных импульсов на вашу изгородь. Импульсы с вывода 3 А1 идут на вывод 2 А2.
На основе таймера А2 выполнена схема одновибратора. По приходу каждого из импульсов на вывод 2 он формирует один импульс заданной продолжительности, её можете настраивать с помощью переменного резистора R4.
Этот импульсный сигнал идёт через резистор R10 на затвор мощного ключевого полевого транзистора VT1, a в стоковой его цепи подключена первичка стандартной автомобильной катушки зажигания Т1. Катушку зажигания можно использовать практически любую.
Лучше применить катушку от автомобилей с «контактной» системой зажигания. К примеру, от «Жигулей» ВАЗ — 2101 или 2106, «Москвичей» 412 или 2140.
Схема подключения генератора импульсов к электроизгороди. Металлоискатель на трех микросхемах к561ле5. Схема металлоискателя на к561ле5. Металлоискатель на микросхеме 561ле5

Как устройство воздействует на животных
При контакте с подобной изгородью через тело животного пропускается ток, который уходит в землю. Он не опасен для жизни, но лошадь, к примеру, запомнит неприятные ощущения, которые здесь получила и приближаться к такому месту больше не будет.
Схема электроизгороди

Включенный прибор вырабатывает и подает импульсы напряжения, исходящие от огораживающей проволоки.
Генератор для электропастуха организует выгул, который является безопасным и хорошо поддается контролю. О веревках, цепях и подобных устройствах, а также обо всех хлопотах, связанных с ними, можно просто забыть.
Комплект в магазине
Генератор для электропастуха КРС можно купить в интернет-магазине. Он бывает иностранного и отечественного производства. Обычно в комплект входят следующие компоненты:
- блок, который подает напряжение, питающийся от аккумуляторной батареи или прямо через сеть;
- лента с вплетенным голым проводом (она бывает разных цветов);
- колышки для изоляторов;
- сами изоляторы, на которые устанавливают ленту;
- провод для соединения блока и заземленного штыря;
- сам штырь.
Эконом вариант изгороди
Если было принято решение о возведении электроизгороди самостоятельно, то рекомендуется начать именно с приобретения стеклопластиковых стержней для опоры — это лучшая идея на сегодняшний день. Так как основное преимущество возведения изгороди вручную — это экономия, то в качестве проводника можно применить тонкую проволоку для сварочных аппаратов. Какой должна быть высота? Можно сделать своими руками электропастуха для овец высотой 100 см. Всего же линий для выгула именно этого вида скота потребуется 4. Также стоит добавить, что оптимальнее будет, конечно, выбрать широкую специальную ленту в качестве проводника, но это уже будет стоить дороже.
Схема генератора электропастуха — вырезка из старой газеты

Привыкание овец
Животные способны к обучению и вполне могут понять, что от них требуется. Как бы это ни цинично звучало — достаточно нескольких ударов током. Это неприятное воздействие приучает не подходить к ограде и не касаться её. После этого выпас проходит внутри ограждённой территории — у овец вырабатывается привыкание к такому порядку выпаса.
Схема подключения генератора импульсов к электроизгороди. Металлоискатель на трех микросхемах к561ле5. Схема металлоискателя на к561ле5. Металлоискатель на микросхеме 561ле5
Чтобы животное не получало стресса, ему нужно видеть, из-за чего оно получило негативное воздействие, поэтому провода электропастуха должны быть видимыми и не тонкими.
Важно! Невидимые провода могут быть повреждены животными. Это выведет из строя всю систему надзора и питомцы могут разбрестись
Опасное место лучше запомнится, если оно заметнее визуально, поэтому плетёная проволока светлого или медного цвета остановит животных после нескольких ударов током.
Изготовление своими руками
Умелые владельцы хозяйств и ферм изготавливают изгороди своими руками. Конструкция кажется сложной лишь на первый взгляд. В бюджетном самодельном варианте используются уйма подручных средств.
- Например, вместо проводника – тонкая проволока.
- В качестве изоляторов могут быть использованы пластиковые бутылки, крышечки от них, кусочки велокамер, закрепленные саморезами.
- Для заземления подойдут железные прутья длиной не менее 1,2 метра.
- Составные части можно скреплять высоковольтными шнурами.
- Стеклопластиковые трубы отлично выполнят роль стоек. Такой вариант придаст большей мобильности создаваемой конструкции.
То есть, можно включать фантазию, подбирать аналогичные подручные материалы, начинать строить, но и не забывать про соблюдение техники безопасности.
Справка. Люди, имеющие опыт, в возведении такой конструкции с удовольствием делятся схемами и подробными инструкциями на различных интернет — ресурсах.
Для того, чтобы электропастух был более эффективным, необходимо соблюдать некоторые условия:
- отдать предпочтение фарфоровым изоляторам;
- оптимальный вариант электропроводника — это оцинкованная проволока, диаметром 2,5 мм. Железная — не подойдет в силу предрасположенности к быстрому окислению на воздухе;
- обеспечение безопасности сооружения. Не игнорировать установку элементов, которые будут контролировать и при необходимости отключать систему, если она стала неисправной, во избежание причинения вреда, как животным, так и людям.
Установка укрощающей изгороди освободит время, которое тратилось на постоянный присмотр за животными. Исчезнет потребность в рабочем персонале. Изгородь окупит себя в течение нескольких месяцев. Спрос на электропастуха в хозяйствах, где содержится крупный рогатый скот, постепенно возрастает. Однако некоторые фермеры остаются приверженцами устойчивых массивных конструкций.
Преимущества и недостатки изгороди
Электропастух — практичное и удобное устройствоПринцип работы электропастуха следующий: животное, соприкасаясь с проволокой, ощущает электрический разряд до 3 мА и в дальнейшем опасается подходить к заграждению на близкое расстояние, сталкиваться с ним.
Подобная мощность тока не наносит вреда здоровью, а лишь вынуждает испытать неприятные ощущения.
Генератор установки питается от электросети или солнечной батареи мощностью 12 вольт и более. Но последний случай менее эффективен. Электропастух — практичное и удобное устройство.
Его основные преимущества:
- Легкость в установке, мобильность (можно перенести на другое место).
- Выпас осуществляется без участия людей, загон работает автономно.
- Простота сооружения.
- Небольшая стоимость.
- Ограничение выпаса животных на конкретном участке.
- Возможность использования для защиты посевов растений от свободно гуляющего скота.
Недостатки устройства:
- Необходимость базовых знаний основ электрики при самостоятельной сборке.
- Большой расход энергии.
- Быстрый износ аккумулятора.
По мнению фермеров, использующих это приспособление, оно удобное и полезное. Рассмотрим его достоинства:
- Экономичность. После приобретения электропастуха отпадает необходимость нанимать чабана для выпаса овец. Несмотря на дороговизну оборудования, затраты на него окупаются быстро — в течение 2-4 месяцев.
- Электроизгородь изготавливают из современных устойчивых к коррозии материалов. Оборудование не портится из-за перепадов температуры, воздействия сырости и других внешних факторов.
- Электропастух мобилен. В любое время оборудование можно перенести в другое место, если возникла необходимость сменить пастбище.
- Безопасность. Изгородь под напряжением надёжно защищает поголовье от нападения хищников. Она не позволяет овцам покинуть пределы пастбища, а значит, животные не разбредутся, не заблудятся, с ними не случится беда.
Несмотря на перечисленные преимущества оборудования, некоторые фермеры предпочитают действовать по старинке. Они считают, что пользоваться электропастухом не так уж и удобно ввиду необходимости производить его демонтаж и монтаж.
Другой недостаток электроизгороди — дороговизна. Покупка оборудования обходится недёшево, особенно если такое устройство делают на заказ, учитывая потребности клиента. Но, потратившись 1 раз ради обеспечения безопасности овец, в дальнейшем больше не придётся оплачивать работу пастухов.
Некоторые фермеры сетуют на то, что невозможно полностью отказаться от услуг персонала, обслуживающего отару. Присутствие человека всё равно необходимо, чтобы производить контроль за самочувствием животных и удовлетворять их потребности. Действительно, овец, которые пасутся в течение всего дня, нужно доить, надо поить их водой в жаркую погоду. Однако постоянно присутствовать на пастбище нет необходимости.
Полезные подручные средства
Устройство, изготовленное самостоятельно, станет самым экономным вариантом.
В качестве электрической изгороди используют тонкую проволоку для сварки. А для того чтобы животные ее увидели, натягивают дополнительную ленту с лоскутами. Можно предусмотреть сразу и широкую ленту, но за нее придется заплатить. Правда, при ветре она провисает, а при выпадении мокрого снега, последний на ней оседает и примерзает, поэтому и проводимость может быть снижена.
А вот для сооружения изоляторов можно придумать массу средств, например, деревянный кол с пластиковыми бутылками (в качестве саморезов), в которых делают две вертикальные прорези и продевают в них ленту. А можно и просто обмотать столбик лентой. Вместо пластиковых бутылок некоторые используют велосипедные камеры и другое.
Заземление может быть реализовано при помощи обычного куска арматуры или прута из железа, чуть больше метра в длину. В грунт он забивается примерно на метр. Для лучшей работы хорошо поливать землю в сухую погоду.
Чтобы соединить блок, проводник и изгородь, используют так называемые шнуры с «крокодилами» для автомобилей. Их разрезают надвое.
Если столбики покупать, то они обойдутся далеко не дешево. Их обычно требуется много, так как максимальное расстояние друг от друга должно быть десять метров. Но желательно их устанавливать еще чаще. На фирмах столбики изготавливают из пластика. Лестные отзывы о таких устройствах найти крайне проблематично. Их хвалят лишь в том случае, когда установка необходима временная. Но для продолжительной стационарной установки лучше применять деревянные, изготовленные самостоятельно.
Конечно, забить их будет сложнее. Долбить кувалдой вряд ли будет удобно. И некоторые выходят из положения тем, что сначала вбивают уголки из металла, а затем прикручивают к ним столбики из дерева. Кроме того, можно приобрести ручной бур и использовать его вместо забивания.
В общем, если использовать само устройство и генератор для электропастуха правильно, оно отлично справится со своей работой. Однако когда жеребец попадается излишне активный, его даже такая электрическая изгородь не сможет остановить. Для подобных особей лучше продублировать ограду. Хоть дело будет хлопотным и обойдется «в копеечку», зато коня уже удастся уберечь.
Что потребуется для создания своими руками
Устройство представляет собой простую конструкцию, которую вполне можно сделать самостоятельно. Электропастух, сделанный своими руками, обойдется гораздо дешевле, чем профессиональное оборудование.
Изготовление подобного загона даже для крупного рогатого скота (КРС) в простейшем случае требует ограды лишь из одной линии провода.
За основу берутся столбы из металла или дерева, заостренные с одного конца и снабженные резьбой с другого. Протягивают электрокабели длиной до 200 м.
На резьбу накручиваются изоляторы. Столбики должны иметь длину от метра до 120 см, их располагают на расстоянии приблизительно 10 м один от другого.
Если они металлические, монтаж упрощается. К заостренному концу приваривают перекладину, помогающую устанавливать конструкцию.
Генератор приобретается или делается самостоятельно, для чего берутся следующие элементы:
- специальная катушка, например, от автомобиля;
- аккумулятор;
- трансформатор;
- несколько транзисторов.
Схема электропастуха реализуется на небольшой пластине, спрятанной в деревянном ящике.
Важно! Не следует уменьшать сопротивление преобразователя, увеличивая напряжение для получения большего эффекта от конструкции. Ведь ток, проходящий по кабелю, будет отнюдь не безвреден для животных и людей.
Есть умельцы, которые могут собрать самодельную альтернативу промышленному электропастуху. Для этого понадобится проект — его можно заказать у специалиста или найти в сети.
Для создания электроизгороди понадобится:
- источник питания;
- генератор (понижающий трансформатор 220/12 В);
- провода;
- столбики;
- изоляторы;
- щитовая (шкаф питания).
Чтобы сделать электропастуха, необходим определённый объём знаний. Нужно разбираться в электротехнике и электромонтаже.
Вместо изоляторов можно использовать пластиковые бутылки, вместо проводов — проволоку, разводку можно закрепить при помощи обрезков автомобильных шин.
Порядок изготовления:
- Столбы вкопайте в землю аналогично тому, как их устанавливают для обычной изгороди.
- На каждом столбе закрепите изоляторы, покупные или самодельные.
- Натяните в три ряда провод — стальной или медный. Первый менее долговечен. Покрасьте местами провода, чтобы они были заметны и животным, и людям.
- Генератор импульсов можно купить или собрать своими руками. Питание будет осуществляться от сети 220 В, от аккумулятора или солнечных батарей — на выбор.
Для того, чтобы отпугивать скот, а не убивать его током, нужен генератор коротких импульсов, повторяющихся с определённой частотой. Генератор можно сделать из готового транзистора, который будет передавать импульсы на катушку зажигания — её можно взять от легкового автомобиля.
Катушка зажигания выполняет две функции — создает напряжение и трансформирует его в импульсы. В машине они передаются к свечам, в электропастухе — на ограждение. Когда конструкция из столбов и проволоки будет установлена, её подключают к генератору импульсов.
Как собрать генератор импульсов самостоятельно:
Нюансы, на которые следует обратить внимание во время монтажа конструкции:
- Правильно рассчитайте высоту столбов. От этого зависит, смогут ли овцы покинуть периметр. Опоры нельзя делать ниже 1 м, иначе овцы просто перепрыгнут ограду. Чтобы исключить проникновение животных за периметр, натягивают не меньше трёх рядов проволоки.
- Расстояние между соседними электропроводами тоже должно быть продуманным. От земли до первого ряда — 25 см, между 1-м и 2-м проводом — 55 см, между 2-м и 3-м — 90 см.
- Мощность электроимпульса определяется длиной шерсти животного. Чем она длиннее и плотнее, тем больше заряд. Для длинношерстного скота достаточно 11-12 кВт.

Схема электропастуха
Конструкция, как и схема данного приспособления, отличаются простотой. Основная часть состоит из проволоки, по которой передается ток от источника — катушки зажигания.
Она также представляет собой преобразователь напряжения в импульсы, которые должны быть короткими, чтобы не нанести вреда при передаче с конкретной частотой. Потребуются также три таймера 555.
Нетрудно изготовить и генератор. Используется готовый транзистор, исполняющий функцию передачи импульсов. Катушка зажигания, используемая в схеме электропастуха, наделена двумя функциями.
Это вырабатывание напряжения и преобразование его в импульсы, которые передаются на изгородь (в отличие от автомобиля, где они идут на свечи).
Дальнейший (после создания источника) этап — сборка конструкции, включая столбы и сетку (проволоку). А после этого ограда подключается к генератору.
Важно! Следует выбирать схему с короткими импульсами, поскольку длинный и мощный может привести к тому, что животное не сможет покинуть место поражения. Непредсказуемость в поведении возникает из-за спазма мышц. К тому времени придет очередной удар током, который может убить.
Подбор характеристик на выходе токового устройства делается для каждой разновидности питомцев. Поэтому следует ознакомиться с публикациями различных авторов в интернет или других источниках.
Есть несколько схем на выбор с параметрами длин волн для животных разных размеров. Но данную характеристику можно отрегулировать своими силами при наличии более основательных навыков радиолюбителя.
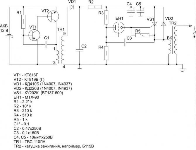
Одна из схем для КРС показана ниже:

Она достаточно упрощенная.
Здесь применены:
- диоды (VD1, VD3) – КД226В и (VD4) – от 10 кВ;
- сопротивления – 1 Вт;
- конденсаторы – 400 В;
- динистор (VD2) – КН102И;
- тиристор (T1) – КУ202Н;
- катушка.
Материалы для пастуха
Приобретая материалы для изгороди, в первую очередь ориентируются на расстояние между опорами — около 10 м. Проволока должна быть с антикоррозийным покрытием, чтобы она могла дольше эксплуатироваться.
Приобретая материалы для изгороди, в первую очередь ориентируются на расстояние между опорами — около 10 м.
Делая ограждение своими руками, лучше взять оцинкованную, диаметр в пределах 2 мм. Также потребуются фарфоровые или керамические изоляторы.
Они не боятся влаги, природных явлений. Хотя можно применить обычные пластиковые бутылки, подрезанные до нужных размеров.
Электрический забор состоит из стоек, изоляторов, проводника тока и соединительных элементов. Для стоек применяются любые материалы, удовлетворяющие конкретным условиям. Это может быть дерево, металл, пластмасса, бетон. Изоляторы, на которые крепятся провода, обычно изготавливают из пластмассы. Применение обычных фарфоровых изоляторов вполне возможно, но их установка может оказаться дороже и не всегда доступна.
Чертежи и схемы электрических изгородей для различных животныхГлавным элементом в электрическом заборе является проводник тока. В таком качестве традиционно используют стальную оцинкованную проволоку толщиной от одного до трех миллиметров. Установка, крепление и натяжение ее не всегда удобно и не очень технологично. Поэтому проволоку рекомендуют использовать для долговременных ограждений с применением достаточно прочных столбов.
Альтернативой проволоки стали проводящие элементы на основе полимеров:
- Шнуры из лавсана толщиной до пяти миллиметров;
- Плетеные ленты от одного до четырех сантиметров;
- Пластмассовые ленты с фольгированной поверхностью.
В них встроены металлические нити или электропроводящая фольга.
Полимерные ограждающие элементы гораздо удобнее в монтаже, не требуют сложного натяжения. Многократное использование не приводит к утрате потребительских свойств, что является привлекательным качеством для устройства временных или перемещаемых ограждений.
Невидимый с некоторого расстояния стальной провод затрудняет выработку у животных рефлекса, удерживающего их от приближения к ограде. Элементы ограждения на основе полимерных материалов гораздо заметнее, поскольку окрашиваются в броские цвета и имеют больший габарит. Животное быстро воспринимает установленную границу и не пытается ее пересекать, ему проще выдерживать безопасное расстояние.
Подготовка опорных столбов
Следует подобрать подходящее место для ограждения и определиться с его размерами. Опорные столбики делаются из следующих материалов:
- Деревянные. Экономичны по деньгам, но требуют много собственных сил для вкапывания в землю.
- Металлические — одни из легких в установке, для этого необходимо вбить столбик тяжелым предметом в почву.
- Столбы из полимерного материала имеют один минус – они слишком дорогие.
Столбики не должны располагаться друг от друга больше, чем на 10-ти метровом расстоянии. 10 метров — максимум. Определить количество столбов нужно с помощью метода деления периметра ограждения на расстояние между столбами. Высота электропастуха для овец не должна быть меньше 100 сантиметров.
Этап изолирования
К каждому столбику прикрепляется провод с изоляцией. Изолятор можно купить в хозяйственных товарах и желательно, чтобы он был керамическим. Другой вариант — изолятор можно сделать из пластиковой бутылки, отрезав дно: надеть на столбик и обмотать проводом горлышко.
Выбор проволоки
Нужно подобрать такую проволоку, которая устойчива к различным негативным факторам окружающей среды. Самым дешевым считается железный провод, но он быстро заржавеет, поэтому лучше отдать предпочтение оцинкованному. Диаметр проволоки — 2 миллиметра.
Часто овцы при выпасе не видят натянутого провода. Это учитывается при установке, необходимо повесить на него яркие ленточки. Для безопасности людей ставится табличка с предупреждением об электрическом напряжении.
Установка генератора и заземления
Генератор импульсов можно купить отдельно либо сделать собственными руками. Для этого необходимо запастись тремя таймерами, катушкой зажигания (подойдет от ВАЗа, подробная схема ) и базовыми знаниями по работе с напряжением.
Заземлением служит железная проволока или шнур, длина которого должна быть больше 1,2 метра. Он вкапывается в землю приблизительно на метр. В жаркие месяцы, там, где преобладает пониженная влажность воздуха, следует обильно поливать почву вокруг провода. Это гарантирует проводимость.
Поэтапный разбор создания генератора:
- Чтобы получить источник напряжения необходимо подать на «первичку» напряжение, оно состоит из сформированных в «пачки» импульсов, которые повторяются с определенной периодичностью.
- Импульсы будут передаваться на 3 таймера марки 555.
- Если взять в основу таймеры А1 и АЗ, то они могут стать источником инфразвуковых и звуковых колебаний.
- На базе тайме6ра А2 будет создан одновибратор.
- Напряжение из катушки будет поступать на «первичку» Т1 и идти по ключу на транзисторе.
- Чтобы на «вторичке» Т1 появилось нужное напряжение, необходимо сделать так, чтобы на «первичке» ток пульсировал, создавая импульсы.
- На основе АЗ таймера создан генератор, передающий звуковые импульсы. Когда таймер работает, то импульсы звуковой частоты с его выхода (3) попадают на затвор транзистора.
- В результате удается получить образование пульсирующего напряжения на «первичке» Т1, оно индуцируется на «вторичку», что и позволяет получить переменное напряжение на «вторичке».
- Через уровень на выходе 4 АЗ удастся управлять генератором. Но чтобы генератор на этом уровне мог полноценно работать необходимо, обеспечить наличие напряжения логической единицы.
- Логический ноль позволит блокировать устройство и установить этот же показатель на выходе генератора.
- База А1 позволит изготовить звуковой генератор, который будет генерировать звуковые импульсы. Регулировать частоту импульсов и настраивать их можно с помощью резистора К1.
- Напряжение в виде импульсов будет идти на выходы 2 А2 с вывода 3 А1.
- От этого устройства будет зависеть частота передачи импульсов на изгородь.
Если взять за основу схему таймера А2, то можно создать схему одновибратора. Когда на вывод 2 будет поступать напряжение, оно будет формировать определенный импульс, продолжительность которого можно выбрать самостоятельно с помощью резистора под номером К4. Этот сигнал носящий характер импульса и будет поступать на резистор В10. Он попадает на затвор ключевого, полевого и достаточно мощного транзистора УТ1. В его стоковой цепи будет находиться подключение к «первичке» стандартной катушки зажигания от легкового автомобиля Т1. Возможно вас также сможет заинтересовать информация о том, сколько корова дает молока в сутки и как увеличить удои.
Стоит заметить, что для создания изгороди подойдет любая катушка зажигания, но предпочтение лучше отдать катушке автомобиля с контактной системой зажигания, такая есть у следующих машин:
- Москвич 412;
- Москвич 2140;
- Жигули 2106;
- Жигули 2101.
Но можно отыскать и другие подходящие автомобили с контактной катушкой зажигания, которая подойдет для создания электропастуха. А вот сколько сена нужно корове на зиму и какие корма самые эффективные, можно прочесть в данной статье.
| ♦ | Указание | ||||||||||||
| ♦ | Используйте шест заземления как инструмент для установки опорных и угловых стоек, проколов им в земле места установки опорных стоек. | ||||||||||||
| ♦ | Вставьте стойки в проколотые шестом отверстия. Дополнительно углубите стойки в землю при помощи молотка. Угловые стойки для укрепления должны иметь подпорки, откосы или оттяжки. | ||||||||||||
| ♦ | В качестве проволочного ограждения следует применять стальную оцинкованную или нержавеющую проволоку диаметром от 0,8 до 3,0 мм. | ||||||||||||
| ♦ | Нельзя использовать колючую проволоку. | ||||||||||||
| ♦ | Общая протяженность подключенной проволоки не должна превышать указанную в характеристиках. В противном случае — превышение протяженности, подключенной проволоки эффективность электропастуха снижается. | ||||||||||||
| ♦ | Проволока должна быть изолирована от поверхности земли и посторонних предметов, не допускается касание проволочного ограждения растительностью. Если соприкосновение проволоки посторонними предметами неизбежно, проволоку следует изолировать в месте касания. В случае касания проволоки травой — поднимите проволоку выше на стойке или выкосите траву под проволокой. При отсутствии заводских изоляторов для электропастуха возможна изоляция проволоки подручными средствами:
Замыкание проволоки на землю не выведет из строя генератор импульсов, но снизит эффективность электроизгороди и приведет к: 2. Быстрому разряду АКБ (аккумуляторной батареи). |
||||||||||||
| ♦ | Запрещено прокладывать проволоку или соединительные кабели, подключенные к генератору импульсов, на высоте более 3 метров от земли. | ||||||||||||
| ♦ | Проволочное ограждение не должно проходить над воздушными линиями электропередачи или связи. | ||||||||||||
| ♦ | Необходимо избегать прокладывания проволоки под воздушными линиями электропередач или линиями связи. Если пересечение с линией электропередач неизбежно, проволоку необходимо проводить под линией электропередач перпендикулярно к линии. |
||||||||||||
| ♦ | Проволочное ограждение по высоте не должно находиться ближе к линиям электропередач, чем указано в приведённых ниже величинах:
|
Шест заземления устанавливается снаружи огораживаемой территории в месте, где планируется разместить генератор импульсов. Для его установки вбейте шест заземления в землю.
| ♦ | Указание |
| ♦ | Заземление электропастуха не должно быть связано с заземлением зданий, общим заземлением сети или водопроводом. |
| ♦ | Между заземлением электропастуха и любыми другими заземляющими системами (такими как защитное заземление системы электропитания или заземление телекоммуникационной системы) необходимо обеспечить расстояние не менее 10 метров. |
| ♦ | Рекомендуется устанавливать шесты заземления в затененных местах. |
| От типа почвы зависит эффективность заземления: Влажная почва – хорошее заземление (чернозем, пойма реки, болотистая местность). Сухая почва – плохое заземление (глина, суглинок, песок – следует использовать дополнительные шесты заземления) |
Условия изготовления эффективной изгороди
Для функционирования электропастуха существует ряд условий:
- Устанавливаемое по периметру ограждение создается из металлической проволоки или сетки. Последняя не может касаться земли.
- Опорные столбы должны выдерживать высокое напряжение.
- Источник высоковольтных импульсов обязательно заземляется.
Количество и высота линий
Высота опорных столбов подбирается разная для каждого вида животных (оптимально 1 метр). Проволока натягивается в простейшем случае в 1 ряд, что подходит для КРС. А также в два, три и более линий. Применима и сетка, которая наиболее подходит птице.
Количество и высота линий электропастуха для свиней
Самостоятельная установка

В качестве источника питания для электропастуха используется катушка зажигания. Однако с этим прибором нужно быть особенно осторожным. При установке важно внимательно следовать инструкции, чтобы не получить в результате короткое замыкание.
Что касается остальных этапов монтажа, то всё довольно просто. Необходимо установить опорные столбы на расстоянии не более 10 м друг от друга. А на верхнем конце, который уже был предварительно подготовлен и на котором есть резьба, наматывается проволока или же шнур-плетёнка, а также устанавливаются изоляторы. Длина вашего электропастуха может достигать любых размеров. Всё зависит исключительно от ваших предпочтений и размера стада.
Очень важно обратить внимание на ландшафт местности, в которой вы устанавливаете изгородь. Следует учесть, что вы не имеете права устанавливать электропастуха вблизи от высоковольтных станций, потому как это может привести к крупной аварии.
Для установки сначала надо определиться с площадью участка. Опорные столбы могут находиться на расстоянии друг от друга не более 10 м. Периметр делится на этот интервал.
Получается необходимое число столбов. Каждый из них должен быть снабжен изолятором, к которому прикрепляется провод. Простой вариант бутылка из пластика без дна, надетая на столб. Вокруг горла удобно делать витки провода.
Проволоку желательно снабдить яркими лентами для большей заметности. Людей предупреждают надписью. Применив готовый генератор или сделав его из катушки зажигания и трех таймеров 555, нужно заземлить источник.
Для этого берутся один или несколько металлических прутьев 120 см, углубляются в грунт на метр. В конце монтажа сооружение делится на участки, дополняется воротами.
Своими руками изготовленная электроизгородь – экономный вариант
Собственноручно изготовленный электропастух гарантирует существенное снижение финансовых затрат. Это обеспечивается возможностью широкого использования подручных материалов. Например, для проводника может применяться тонкая проволока для сварочных агрегатов. Широкая специальная лента оптимальнее, но отличается довольно высокой стоимостью.
Вариантов для изоляторов предостаточно. В бюджетных изгородях-пастухах это могут быть:
- Пластиковые бутылки, прикрепленные саморезами. Через пару прорезов в них продевается провод;
- Обматывание изолентой мест нахождения проволоки или ленты;
- Кусочки велокамер, закрепленные теми же саморезами;
- Крышечки от пластиковых бутылок.
Здесь для удешевления каждый может проявить свою бесконечную фантазию, выбирая подручные материалы. Изготовляя изгородь своими руками, можно находить выход из любого положения, не забывая при этом о нормативах техники безопасности.
Для заземления электропастуха подходят арматурные куски или железные прутья, длина которых должна быть не меньше 120 см. Забивание в грунт – где-то на метр. Это место для того, чтобы лучше работал генератор и вся система при сухой погоде, должно поливаться водой.
Соединение между составными частями такого пастуха прекрасно соединяются высоковольтными шнурами с «крокодильчиками», которые используются в автомобилям.
Как уже говорилось, стеклопластиковые прутки для электроизгороди отлично выполняют свое назначение. Особенно приемлемы при передвижных вариантах электропастухов, поскольку отличаются небольшим весом и легких монтажом.

Кое-кто кто все же склонен к применению деревянных столбиков, но они больше подходят для стационарных изгородей. К тому же их установка требует наличия бура либо осуществление копания ям. Можно забивать кувалдой, но внешний вид их верха будет весьма неэстетичный, да и трещины могут появляться от ударов.
Последствия применения электропогонялки для овец и коров
Желательно выбрать схему с коротким импульсом, поскольку если импульс будет длинным и довольно мощным, животное не сможет покинуть опасное место. Непредсказуемое поведение животного (в большей степени это правило касается лошадей), обусловлено спазмом мышц. Спазм возникает по причине слишком длительного и мощного импульса. И если животное не покинет опасное место, то последует второй импульс в результате такого воздействия оно может погибнуть.
Для разных видов животных требуются различные характеристики. Поэтому перед началом изготовления электроизгороди стоит ознакомиться с сопутствующей информацией.
Недостатки такого генератора:
- Работает постоянно, расходует много энергии, что приводит к быстрому изнашиванию аккумулятора.
- Сомнительная безопасность. Если «под удар» попадет крупное животное, то импульс не принесет ему особого вреда, а вот если с изгородью столкнется небольшого размера собака или кот, то животное может погибнуть.
Существует несколько различных схем, они отличаются длинной волны, ее можно отрегулировать самостоятельно. Но если навыки в работе с электричеством не слишком высоки, а познания в физике стремиться к нулю, то лучше ознакомиться с несколькими схемами и выбрать наиболее понятную. А вот как выглядит Швицкая порода коров и какие существуют характеристики, можно увидеть перейдя по этой ссылке.
Правила выпаса в населенных пунктах
Если пастбища находятся поблизости или даже на территории населенных пунктов, то нужно соблюдать определенные правила выпаса животных. Они устанавливаются органами местного самоуправления. Вот правила выпаса в населенных пунктах:
Животных нужно содержать на огороженных пастбищах или на привязи (если это частное подворье)
Хозяин должен регулярно осуществлять контроль над своими животными.
Безнадзорный выпас скота вдоль автомобильных дорог строго запрещен.
Вопрос с территорией пастбища владелец животных должен согласовываться органами местного самоуправления (это касается аренды земли).
Важно согласовать также вопрос возможного загрязнения животными окружающей территории.
Если случается падеж животных, об этом своевременно информируются органы местного самоуправления до утилизации трупа.. Помните, что весь скот должен быть промаркирован, каждой особи присваивается индивидуальный номер
Помните, что весь скот должен быть промаркирован, каждой особи присваивается индивидуальный номер.
- https://el-montage.ru/montazh-elektropastuha-svoimi-rukami-dlya-krs/
- https://marlen-huciev.ru/elektropastuh-svoimi-rukami/
- https://FB.ru/article/237690/generator-dlya-elektropastuha-svoimi-rukami
- https://moygarag.ru/kak-sdelat-elektroizgorod-dla-ovec-svinej-i-krs-svoimi-rukami/
- https://nzmetallspb.ru/tehnologii/kak-sdelat-elektropastuh-svoimi-rukami.html
- https://oooevna.ru/kak-ustroena-i-rabotaet-elektriceskaa-izgorod-elektriceskoe-orgazdenie/
- https://my-pic.ru/pchely/elektropastuh-dlya-baranov.html
- https://moi-zhivotnye.ru/ovcy/kak-sdelat-elektropastuh-dlya-ovec.html
- https://plastep.ru/elektropastuh-napryazhenie-sila-toka/
- https://bio-xutor.ru/elektropastuh.html
- https://RamZoo.ru/ptichnik/elektroizgorod-svoimi-rukami.html


